![]() |
||
| Antennas & Driver | ||
|---|---|---|
| Antennas & Driver |
Antenna Type End-fed-slotted wave guide Polarization Horizontal Antenna Length 4ft and 6ft Swing Circle (mm) 1443 and 2047 |
Gain (dB) ≥ 27 and ≥ 29 Horizontal Beam Width at -3dB 1.8° and 1.2° Vertical beam width at -3dB 25° Rotation Speed (RPM) - Standard: > 20 and > 40 - HSC: > 40 |
| HALO Transceivers | ||
| HALO Transceivers |
Transceiver Technology Solid state pulse compression Nominal Peak Power 130W Operating Frequency (MHz) Synthesized – Upper half of X-Band Pulse Length, BRF and Compression Rate Pulse length: 0.04 µsec Chirp length: 2÷64 µsec Chirp bandwidth: 2÷48 MHz Effective pulse compression ratio less than 150 Pulse Length (ns) Not applicable Pulse Repetition Frequency (Hz) Not applicable |
IF Section Center frequency: 31.25 MHz Bandwidth: 50 MHz max. A/D; 16 bit 125 MSPS Overall Noise Figure (nominal dB) < 5 dB nominal Instrumented Range (Nm) 48 SART/RACON Triggering Yes – about 3.5 Nm max Transmission from cold (secs) 40 Sector Blanking Four different sectors |
| Environmental | ||
| Environmental |
Performance Monitor Included: Advanced |
De-Icer Not Available |
| Physical | ||
| Physical |
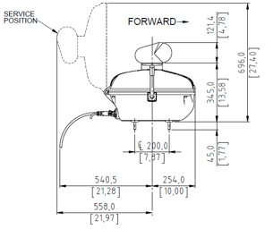
Dimensions WxHxD Antenna: 4ft - W: 4.70 ft / 1432 mm / 56.38" x H: 135 mm / 5.31" x D: 185 mm / 7.28" 6ft - W: 6.69 ft / 2039 mm /80.28" x H: 135 mm / 5.31" x D: 185 mm / 7.28" Transceiver: W: 324 mm / 12.76" x H: 264 mm / 10.39" x D: 339 mm / 13.35" Weight Antennas (kg): 4.9 and 6.5 Transceiver (kg): 20.7 |
Overall: 4ft - W: 4.70 ft / 1432 mm / 56.38" x H: 429 mm / 16.88" x D: 339 mm / 13.35" 6ft - W: 6.69 ft / 2039 mm / 80.28" x H: 429 mm / 16.88" x D: 339 mm / 13.35" Mouting Area: 4ft - 4.7 ft / 1443 mm / 56.81" 6ft - 6.72 ft / 2047 mm / 80.58" |
|
|
||
![]() |
||
| Antennas & Driver | ||
|---|---|---|
| Antennas & Driver |
Antenna Type End-fed-slotted wave guide Polarization Horizontal Antenna Length 6ft, 9ft and 12ft Swing Circle (mm) 1800, 2650 and 3618 |
Gain (dB) ≥ 29, ≥ 31 and ≥ 32.5 Horizontal Beam Width at -3dB 1.3°, 0.9° and 0.7° Vertical beam width at -3dB 22° Rotation Speed (RPM) - Standard: - HSC: |
| HALO Transceivers | ||
| HALO Transceivers |
Transceiver Technology Magnetron Nominal Peak Power 12 or 25kW Operating Frequency (MHz) 9410 ± 30 Pulse Length, BRF and Compression Rate Not applicable Pulse Length (ns) 60 (25kW, 30Kw) 80 (12kW) – 250 – 800 Pulse Repetition Frequency (Hz) 3000 – 1500 – 750 |
IF Section IF Bandwidth: short pulse 24 MHz, medium pulse 5MHz and long pulse 2MHz Overall Noise Figure (nominal dB) < 5 dB nominal Instrumented Range (Nm) 72 SART/RACON Triggering Yes – about 8 Nm max Transmission from cold (secs) 180 Sector Blanking Four different sectors |
| Environmental | ||
| Environmental |
Performance Monitor Included: Basic |
De-Icer Optional |
| Physical | ||
| Physical |
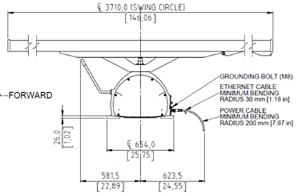
Dimensions WxHxD Antenna: 6ft - W: 5.94 ft / 1810 mm / 71.26" x H: 230 mm / 9.05" x D: 200 mm / 7.87" 9ft - W: 8.72 ft / 2660 mm / 104.72" x H: 230 mm / 9.05" x D: 200 mm / 7.87" 12ft - W: 11.90 ft / 3628 mm / 142.83" x H: 230 mm / 9.05" x D: 200 mm / 7.87" Transceiver: W: 364 mm / 14.33" x H: 345 mm / 13.58" x D: 508 mm / 20.00" Weight Antennas (kg): 5(6X) and 10 (9X) Transceiver (kg): 36 (12-25 KW X-Band) |
Overall: 6ft - W: 5.94 ft / 1810 mm / 71.26" x H: 575 mm / 22.63" x D: 508 mm / 20.00" 9ft - W: 8.72 ft / 2660 mm / 104.72" x H: 575 mm / 22.63" x D: 508 mm / 20.00" 12ft - W: 11.90 ft / 3628 mm / 142.83" x H: 575 mm / 22.63" x D: 508 mm / 20.00" Mouting Area: 6ft - 1810 mm / 71.26" 9ft - 2660 mm / 140.72" 12ft - 3628 mm/ 142.83" |
|
|
||
![]() |
||
| Antennas & Driver | ||
|---|---|---|
| Antennas & Driver |
Antenna Type End-fed-slotted wave guide Polarization Horizontal Antenna Length 12ft Swing Circle (mm) 3695 |
Gain (dB) ≥ 27 Horizontal Beam Width at -3dB 1.9° Vertical beam width at -3dB 24° Rotation Speed (RPM) - Standard: > 20 - HSC: > 40 |
| HALO Transceivers | ||
| HALO Transceivers |
Transceiver Technology Magnetron Nominal Peak Power 30kW Operating Frequency (MHz) 3050 ± 30 Pulse Length, BRF and Compression Rate Not applicable Pulse Length (ns) 60 (25kW, 30Kw) 80 (12kW) – 250 – 800 Pulse Repetition Frequency (Hz) 3000 – 1500 – 750 |
IF Section IF Bandwidth: short pulse 24 MHz, medium pulse 5MHz and long pulse 2MHz Overall Noise Figure (nominal dB) < 5 dB nominal Instrumented Range (Nm) 72 SART/RACON Triggering No Transmission from cold (secs) 180 Sector Blanking Four different sectors |
| Environmental | ||
| Environmental |
Performance Monitor Included: Basic |
De-Icer Optional |
| Physical | ||
| Physical |
Dimensions WxHxD Antenna: W: 12.17 ft / 3710 mm / 146.06" x H: 117.5 mm / 4.63" x D: 499 mm / 19.64" Transceiver: W: 354 mm / 25.75" x H: 647.3 mm / 25.48" x D: 477.6 mm / 18.8" Weight Antennas (kg): 53 Transceiver (kg): 73 (30 KW S-Band) |
Overall: W: 12.17 ft / 3710 mm / 146.06" x H: 790.8 mm / 31.13" x D: 477.6 mm / 18.8" Mouting Area: 12.17 ft / 3710 mm / 146.06" |
|
|
||








